全国2010年4月高等教育自考程控交换与宽带交换试题
课程代码:02372
一、单项选择题(本大题共20小题,每小题1分,共20分)
在每小题列出的四个备选项中只有一个是符合题目要求的,请将其代码填写在题后的括号内.错选、多选或未选均无分.1.叉簧属于电话机基本组成部件的( )
A.通话设备
B.信号设备
C.转换装置
D.呼叫处理
2.长途电话两级网中的DC1综合了原四级网中两个级别的交换职能,它们分别是( )
A.C
1和C
2 B.C
1和C
3 C.C
3和C
2 D.C
4和C
2
3.消息信令单元MSU中用于传送SCCP消息的字段是( )
A.FISU
B.SIF
C.SI
D.SF
4.呼损指标是程控交换机的( )
A.可靠性指标
B.可维护性指标
C.服务质量指标
D.可用度指标
5.当SSP识别到是记帐卡呼叫后,将相应信息报告给SCP所用的操作是( )
A.连接
B.收集信息
C.启动DP
D.申请计费
6.对被叫用户状态进行分析是属于( )
A.数字分析
B.去话分析
C.来话分析
D.路由分析
7.LAP-D定义的帧的类型有( )
A.2种
B.3种
C.4种
D.5种
8.ATM信元长度的字节数是( )
A.53
B.48
C.16
D.5
9.支持的典型业务是采用压缩编码的声频和视频业务的协议是( )
A.AAL-1
B.AAL-2
C.AAL-3
D.AAL-5
10.具有语音识别功能的功能实体是( )
A.CCF
B.SSF
C.SRF
D.SMF
11.D信道上的非连接型业务属于( )
A.补充业务
B.承载业务
C.用户终端业务
D.电话交换方式的承载业务
12.发端交换机收到"主叫摘机"信令后,将检查主叫用户的( )
A.用户数据
B.局数据
C.用户线
D.摘、挂机扫描电路
13.用户摘、挂机扫描程序的级别是( )
A.中断级
B.时钟级
C.基本级
D.维护级
14.总是包含主叫用户号码的ISUP消息是( )
A.IAI
B.IAM
C.ACM
D.SAM
15.ISDN地址包括ISDN号码和ISDN子地址两部分,ISDN号码用来确定( )
A.一个用户终端设备
B.用户终端具有的业务
C.用户终端类别
D.用户接入网络的位置
16.对于S/T接口,由于每个TE的接入会引起附加的衰耗和传输时延,因此接入总线的最大TE个数限制为8个,TE到总线插座之间的连线长度的限制距离是( )
A.10m
B.50m C.100m
D.200m
17.电路识别码用于( )
A.网络管理消息
B.SCCP消息
C.ISUP消息
D.SCCP消息和ISUP
18.利用PCM30/32系统的TS16进行程控交换机处理机间的通信信息传输,适用的情况是( )
A.通信量不大
B.通信量大
C.通信量极大
D.距离远
19.当到某给定目的地的信令路由变为不可利用时,用来把到该目的地的信令业务尽快地转移到替换的信令路由上的程序是( )
A.倒换
B.倒回
C.强制重选路由
D.受控重选路由
20.NO.7信令系统中一条信令链路的速率为( )
A.8kbit/s
B.64kbit/s
C.2048kbit/s
D.4096kbit/s
二、填空题(本大题共10小题,每小题1分,共10分)
请在每小题的空格中填上正确答案.错填、不填均无分.21.按照传送信令的信道与传送话音的信道之间的关系来划分,可将信令划分为随路信令和_____________.
22.DTMF信令是带_____________信令,该信令可以通过数字交换网络传送.
23.按照多处理机之间的协作关系,处理机的分担方式可以有按功能分担和按_____________分担两种方式.
24.交换机的中断一般有时钟中断、故障中断和_____________中断.
25.若本地网中端局数量比较少,但各局交换机容量比较大,则该本地网的结构适合采用_____________结构.
26.在用户摘机时,用户环路处于_____________状态.
27.NO.7信令系统中的功能有用硬件也有用软件实现的,循环冗余校验码CRC的产生和校验由_____________实现.
28.我国在N-ISDN的U接口上选用的码型是_____________码.
29.电话用户消息的标记由DPC、OPC及_____________三部分组成.
30.ATM采用面向连接的工作方式,在两个端点之间传送信息之前,需要在这两个端点站之间建立端到端的连接.使用信令功能动态管理的连接称作_____________.
三、名词解释题(本大题共4小题,每小题3分,共12分)31.本地电话网
32.ATM控制平面
33.进程
34.OSI的中文解释
四、画图题(本大题共3小题,每小题4分,共12分)35.画出消息信令单元的结构图,并标示出每部分的比特数.
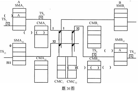
36.在题36图中,输入侧T单元采用顺序写入、控制读出方式,输出侧T单元采用控制写入、顺序读出方式,CMC
1…CMC
32采用输入控制方式.填写存储器SMA
1、CMA
1、CMC
32、CMB
32、SMB
32的相关存储单元的地址或内容,以完成输入侧第1个T单元TS
2的话音信息A传送到输出侧第32个T单元的TS
15.A至B方向选择内部时隙8,该网络的内部时隙数为512.

37.在题37图中端局和长途局均为ISDN交换机,SSP设在本地长途局,主叫用户(025-12345678)呼叫800-820-3456(对应的实际号码为0755-87654321)的过程如题37图所示.请填写题37图各括号处使用的信令/协议.
五、问答题(本大题共4小题,每小题6分,共24分)38.简述NO.7系统的信令消息处理功能.
39.模拟用户接口电路应具备哪些基本功能?
40.程控交换软件的基本特点是什么?
41.N-ISDN的用户-网络接口提供的两种接口结构是怎样的?
六、简述题(本大题共3小题,42、43小题各7分,44小题8分,共22分)42.说明T接线器的作用及基本组成.
43.简述智能网的基本思想.
44.简述电话通信网的支撑网及主要功能.
⊙小编提示:添加【山东自考网】招生老师微信,即可了解2023年山东自考政策资讯、自考报名流程、准考证打印方法、成绩查询时间以及领取历年真题资料、个人专属备考方案等相关信息!

(添加“山东自考网”招生老师微信,在线咨询报名报考等相关问题)
《山东自考网》免责声明:
(一)由于考试政策等各方面情况的不断调整与变化,本网站所提供的考试信息仅供参考,请以省考试院及院校官方发布公布的正式信息为准。
(二)本站文章内容信息来源出处标注为其他平台的稿件均为转载稿,免费转载出于非商业性学习目的,版权归原作者所有。如您对内容、版权等问题存在异议请与本站联系,我们会及时进行处理解决,联系邮箱:812379481@qq.com。